| Estado de Disponibilidad: | |
|---|---|
| Cantidad: | |
Introducción del mezclador de entrada lateral tipo PT-Belt:
Uso de desulfuración de gases de combustión: evita principalmente que los sólidos se depositen en el tanque de lodo y garantiza que el lodo pueda transportarse uniformemente al siguiente proceso.Fortalece la difusión del aire oxidado, también promueve la oxidación del sulfito de calcio, el crecimiento de cristales de yeso y la disolución de la piedra caliza.El uso de este equipo tiene muchas ventajas, como una pequeña inversión, operación conveniente, alta eficiencia, bajo consumo de energía, baja electricidad estática generada en el medio y garantía de calidad del producto.
Este tipo de mezclador también se puede utilizar para el tratamiento de aguas residuales y la industria de fabricación de papel.
Material
¿A qué se debe prestar atención al diseñar el agitador lateral?
1. Determine el propósito de mezclar el agitador de tipo lateral: si se realiza una mezcla líquido-líquido, una suspensión sólido-líquido, una dispersión gas-líquido o líquido-líquido, si es necesario lograr transferencia de calor, absorción, extracción, disolución, cristalización, etc. El tipo de paleta agitadora se selecciona según las características del proceso.
2. Calcular la potencia de la operación de mezclado: el movimiento requerido cuando se realiza el proceso de mezclado.
El cálculo del nivel de potencia es complicado y está relacionado con el diámetro del tanque, el diámetro de la lechada, el ancho de la pala, el ángulo, el número de capas, la viscosidad, el número de deflectores y el tamaño del deflector.
3. Seleccione la potencia del motor del agitador de tipo lateral: el valor calculado después de la eficiencia debe ser mayor o igual a 1,5 veces la potencia de operación de agitación.
4. Determinación del número mínimo de revoluciones agitadas en la calle: Este número de revoluciones es el número mínimo de revoluciones para mezclar y no el número crítico de revoluciones del eje del agitador.
5. De acuerdo con la selección de potencia, verifique la rigidez y resistencia del eje mezclador y la paleta.
6. Al utilizar el reductor de velocidad, también se debe considerar el factor de uso del reductor y la capacidad de carga del reductor.
7. Para el eje delgado, considere agregar soporte, soporte medio o inferior.
8, considere también el método de instalación (entrada superior, entrada inferior o entrada lateral), esto se determina primero.
9, soporte de diseño.
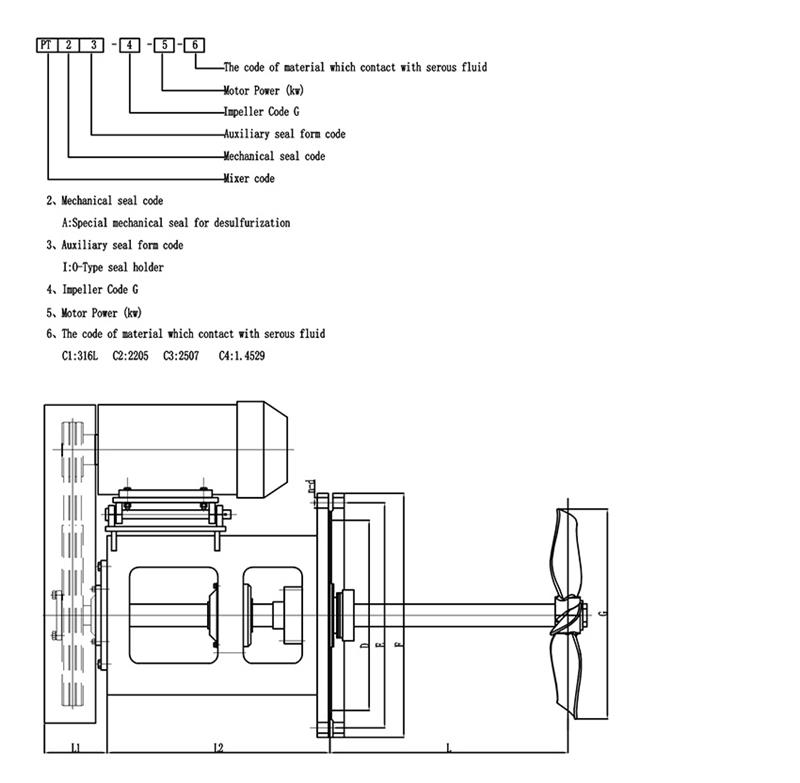
10. El agitador de tipo lateral está sellado (llenador o sello de máquina).
Hot Tags: Mezclador de entrada lateral fgd, China, fabricantes, proveedores, fábrica, compra, personalizado, presupuesto, hecho en China
Introducción del mezclador de entrada lateral tipo PT-Belt:
Uso de desulfuración de gases de combustión: evita principalmente que los sólidos se depositen en el tanque de lodo y garantiza que el lodo pueda transportarse uniformemente al siguiente proceso.Fortalece la difusión del aire oxidado, también promueve la oxidación del sulfito de calcio, el crecimiento de cristales de yeso y la disolución de la piedra caliza.El uso de este equipo tiene muchas ventajas, como una pequeña inversión, operación conveniente, alta eficiencia, bajo consumo de energía, baja electricidad estática generada en el medio y garantía de calidad del producto.
Este tipo de mezclador también se puede utilizar para el tratamiento de aguas residuales y la industria de fabricación de papel.
Material
¿A qué se debe prestar atención al diseñar el agitador lateral?
1. Determine el propósito de mezclar el agitador de tipo lateral: si se realiza una mezcla líquido-líquido, una suspensión sólido-líquido, una dispersión gas-líquido o líquido-líquido, si es necesario lograr transferencia de calor, absorción, extracción, disolución, cristalización, etc. El tipo de paleta agitadora se selecciona según las características del proceso.
2. Calcular la potencia de la operación de mezclado: el movimiento requerido cuando se realiza el proceso de mezclado.
El cálculo del nivel de potencia es complicado y está relacionado con el diámetro del tanque, el diámetro de la lechada, el ancho de la pala, el ángulo, el número de capas, la viscosidad, el número de deflectores y el tamaño del deflector.
3. Seleccione la potencia del motor del agitador de tipo lateral: el valor calculado después de la eficiencia debe ser mayor o igual a 1,5 veces la potencia de operación de agitación.
4. Determinación del número mínimo de revoluciones agitadas en la calle: Este número de revoluciones es el número mínimo de revoluciones para mezclar y no el número crítico de revoluciones del eje del agitador.
5. De acuerdo con la selección de potencia, verifique la rigidez y resistencia del eje mezclador y la paleta.
6. Al utilizar el reductor de velocidad, también se debe considerar el factor de uso del reductor y la capacidad de carga del reductor.
7. Para el eje delgado, considere agregar soporte, soporte medio o inferior.
8, considere también el método de instalación (entrada superior, entrada inferior o entrada lateral), esto se determina primero.
9, soporte de diseño.
10. El agitador de tipo lateral está sellado (llenador o sello de máquina).
Hot Tags: Mezclador de entrada lateral fgd, China, fabricantes, proveedores, fábrica, compra, personalizado, presupuesto, hecho en China