| Estado de Disponibilidad: | |
|---|---|
| Cantidad: | |
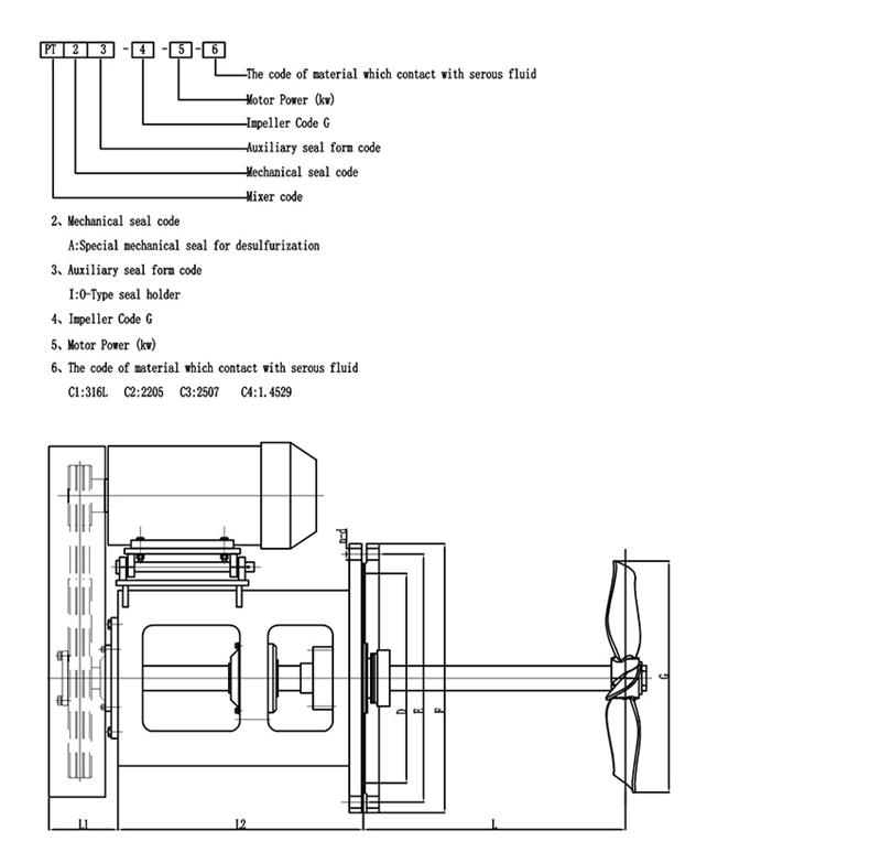
Mezclador de entrada lateral Keheng FGD
El agitador es una herramienta muy importante en el proceso de desulfuración de gases de combustión.Puede ayudar a mezclar el desulfurizador y los gases de combustión, mejorando así la eficiencia de la desulfuración.El agitador generalmente se compone de motor, reductor, cojinete y eje e impulsor de agitación, etc., que pueden adaptarse a diferentes sistemas de desulfuración de gases de combustión y condiciones de operación.
Material
El material puede ser:
Q235B, 45#, acero al carbono con caucho, acero al carbono con PO, acero al carbono con PTFE, acero al carbono con FRP, acero al carbono esmaltado, acero inoxidable 304, acero inoxidable 316L, acero inoxidable dúplex 2205, acero inoxidable dúplex 2507, acero inoxidable súper austenítico 904L , 1,4529
Notas: El material de todas las piezas de las mezcladoras se puede fabricar a medida según las condiciones de trabajo locales, el medio de mezcla y los requisitos del cliente.
Solicitud:
El agitador se usa ampliamente en el proceso de desulfuración de gases de combustión.Por ejemplo,
1. En la desulfuración húmeda de gases de combustión, los agitadores pueden ayudar a mezclar el desulfurizador y los gases de combustión, mejorando así la eficiencia de la desulfuración.
2. En la desulfuración de gases de combustión secos, los agitadores pueden ayudar a mezclar y dispersar el desulfurador, mejorando así la eficiencia de la desulfuración.
3. Puede ayudar a ingenieros y técnicos a optimizar y automatizar el proceso de desulfuración, mejorar la eficiencia y el rendimiento de la desulfuración.
4. Puede reducir la cantidad de desulfurante, reducir el costo de la desulfuración y contribuir a la causa de la protección del medio ambiente.
¡Haga clic aquí para enviar su consulta!
¡Los mezcladores se pueden personalizar según sus requisitos!
Uso de agitadores Keheng Embalaje completo en caja de madera., después pasos de medida, pesaje y refuerzo en la fábrica, calificado en el almacén portuario específico para su inspección, control capa por capa.
Los métodos de entrega de Keheng en el extranjero suelen ser CIF, CFR o FOB, lo que garantiza la entrega de los productos dentro de un mes a un mes y medio después de recibir el pago por adelantado de los clientes.
SERVICIO DE CAMPO
KEHENG tiene casi 30 años de experiencia.Nuestra empresa puede proporcionar diagnósticos y reparaciones de campo.El equipo técnico proporcionará varias opciones de mantenimiento in situ para ayudarle en sus operaciones de mezcla.
Instalación: Según especificaciones del cliente
Consulta y reparación en el sitio: KEHENG proporciona servicios de diagnóstico de reparación in situ.Si el problema no se puede resolver en el lugar, el equipo puede enviarse de regreso a nuestro Departamento de Inspección y Reparación.
Mantenimiento preventivo: Todas las máquinas deben pasar una estricta inspección antes de salir.KEHENG proporcionará pruebas de diagnóstico y de referencia para garantizar el máximo rendimiento de la solución y el equipo de mezcla.
Otro servicio: KEHENG puede proporcionar nuevas soluciones y equipos de mezcla para su proyecto de reconstrucción.
SERVICIO DE REPARACIÓN
KEHENG proporciona el análisis y las opciones más completos para reparar los accionamientos del mezclador de entrada superior; el programa de inspección y reparación proporciona:
1. Mayor confiabilidad y confiabilidad
2. Reparaciones de alta calidad que cumplen con especificaciones estrictas.
3. Extendió la vida útil de su equipo
Todas las piezas del accionamiento del mezclador se limpian e inspeccionan minuciosamente para determinar la verdadera causa raíz de la falla.Se proporcionan informes detallados junto con opciones escalonadas para la reparación.Los clientes eligen las reparaciones adecuadas para sus necesidades operativas.Las garantías están disponibles según la opción de reparación elegida.
Los problemas comunes que se pueden solucionar incluyen:
1. Fatiga mecánica
2. Condiciones adversas
3. Carga de choque
4. Cambio de proceso
5. Equilibrio del impulsor
SERVICIO AL CLIENTE
1. Todos los clientes de KEHENG recibirán soporte y sugerencias antes y después de la venta.
2. El servicio proporcionado por KEHENG tiene como objetivo ayudar al cliente a elegir los productos más adecuados.
3. KEHENG ayuda a los clientes a utilizar el producto correctamente: PLANIFICACIÓN, INSTALACIÓN, CAPACITACIÓN, ELIMINACIÓN DE PROBLEMAS, MANTENIMIENTO Y REPARACIONES, RENOVACIÓN Y MODERMIZACIÓN.
4. Oferta de KEHENG: Suministro de repuestos, desarrollo técnico y última tecnología disponible, optimización del stock del cliente y recomendación de repuestos.
APOYO TÉCNICO
KEHENG cuenta con un equipo completo de ingenieros de aplicaciones que tienen una rica experiencia y un amplio conocimiento.Nuestro equipo técnico está compuesto por ingenieros de soporte técnico, ingenieros de diseño y desarrollo de productos.Tienen el conocimiento y la habilidad especializados para brindar un servicio y asesoramiento receptivos y confiables.Estarán en conjunto con ingenieros de ventas para completar la comunicación.Los ingenieros de aplicaciones pueden especificar el tipo de transmisión, la relación de transmisión, los requisitos de montaje del motor, los requisitos de montaje de la transmisión, elementos especiales como sellos mecánicos y motores, eje del agitador, cubo del impulsor y detalles de las palas del impulsor.
Si lo necesita, KEHENG puede apoyarle con las siguientes capacitaciones e instrucciones para que su personal esté calificado y familiarizado con las características del equipo KEHENG específico.
1. Formación operativa
2. Formación en mantenimiento
3. Capacitación en procesos
JiangSu KeHeng Petrochemical & Electrical Machinery Co., Ltd fue fundada en 1989. Es una empresa de alta tecnología, especializada en I+D, diseño, fabricación e instalación profesional.Principalmente dedicado a Horno de calentamiento petroquímico, Sistema de recuperación de calor residual, Equipo de desulfuración de plantas eléctricas, Sistema de tratamiento de aguas residuales, Mezclador etc. Productos vendidos en toda China y exportados al sudeste asiático, Europa, África, Medio Oriente, Japón, India, Kazajstán, Turquía y muchos otros países.
KeHeng tiene Centro independiente de I+D y perfecto pruebas de producto, inspeccionando equipo. Con años de innovación constante, Ha sido galardonado con más de 30 utilidad modelo patentes y 5 patentes de invención por la Oficina Estatal de Propiedad Intelectual. Hasta ahora, KeHeng tiene convertirse en un proveedor calificado en el vínculo de suministro de varias grandes empresas y grupos industriales, por ejemplo, petrochina, Sinopec, CNOOC etc.
Ocupar el mercado con calidad del producto, ganar al cliente con reputación corporativa
Integridad: nuestra base de apoyo;Desarrollo: la eterna búsqueda de KeHeng.
Calidad del producto
Todos nuestros mezcladores se fabrican en instalaciones especializadas hechas a medida según los estándares de calidad ISO9001 y utilizan únicamente componentes de alta calidad en su construcción.
Diseño personalizado
Nuestro equipo técnico profesional diseñará el mezclador más adecuado según sus necesidades, que pueda lograr el máximo valor de uso.
Pproyecto Mgestión
Asignamos gerentes de proyecto dedicados para garantizar que cada aspecto de la fabricación, el ensamblaje y el control de calidad avancen para cumplir con las especificaciones individuales del cliente.
Servicio al Cliente
Todos los clientes de KEHENG recibirán soporte y sugerencias antes y después de la venta.Ayudamos a los clientes a utilizar el producto correctamente: PLANIFICAR、INSTALACIÓN、CAPACITACIÓN、ELIMINACIÓN DE PROBLEMAS、MANTENIMIENTO Y REPARACIONES、RENOVACIÓN Y MODERMIZACIÓN.
P: ¿Es usted una empresa comercial o un fabricante?
R: Somos fabricantes.Nuestra fábrica está en Jiangsu. P: ¿Cómo personalizar agitadores y mezcladores? R: Puede enviarnos el parámetro de la solicitud o completar el formulario que le proporcionamos, luego seleccionaremos o diseñaremos el producto que mejor funcione para usted y su negocio. P: ¿Cuánto dura el plazo de producción? R: Normalmente 30 días.Si tiene que elegir una marca de motor en particular, el tiempo de entrega puede variar. P: ¿Acerca de la garantía del producto? R: Normalmente, ofrecemos 1 año de garantía para los productos que se han vendido, pero también podemos brindar servicio de por vida cuando lo necesita para mantener una relación a largo plazo con usted.
Mezclador de entrada lateral Keheng FGD
El agitador es una herramienta muy importante en el proceso de desulfuración de gases de combustión.Puede ayudar a mezclar el desulfurizador y los gases de combustión, mejorando así la eficiencia de la desulfuración.El agitador generalmente se compone de motor, reductor, cojinete y eje e impulsor de agitación, etc., que pueden adaptarse a diferentes sistemas de desulfuración de gases de combustión y condiciones de operación.
Material
El material puede ser:
Q235B, 45#, acero al carbono con caucho, acero al carbono con PO, acero al carbono con PTFE, acero al carbono con FRP, acero al carbono esmaltado, acero inoxidable 304, acero inoxidable 316L, acero inoxidable dúplex 2205, acero inoxidable dúplex 2507, acero inoxidable súper austenítico 904L , 1,4529
Notas: El material de todas las piezas de las mezcladoras se puede fabricar a medida según las condiciones de trabajo locales, el medio de mezcla y los requisitos del cliente.
Solicitud:
El agitador se usa ampliamente en el proceso de desulfuración de gases de combustión.Por ejemplo,
1. En la desulfuración húmeda de gases de combustión, los agitadores pueden ayudar a mezclar el desulfurizador y los gases de combustión, mejorando así la eficiencia de la desulfuración.
2. En la desulfuración de gases de combustión secos, los agitadores pueden ayudar a mezclar y dispersar el desulfurador, mejorando así la eficiencia de la desulfuración.
3. Puede ayudar a ingenieros y técnicos a optimizar y automatizar el proceso de desulfuración, mejorar la eficiencia y el rendimiento de la desulfuración.
4. Puede reducir la cantidad de desulfurante, reducir el costo de la desulfuración y contribuir a la causa de la protección del medio ambiente.
¡Haga clic aquí para enviar su consulta!
¡Los mezcladores se pueden personalizar según sus requisitos!
Uso de agitadores Keheng Embalaje completo en caja de madera., después pasos de medida, pesaje y refuerzo en la fábrica, calificado en el almacén portuario específico para su inspección, control capa por capa.
Los métodos de entrega de Keheng en el extranjero suelen ser CIF, CFR o FOB, lo que garantiza la entrega de los productos dentro de un mes a un mes y medio después de recibir el pago por adelantado de los clientes.
SERVICIO DE CAMPO
KEHENG tiene casi 30 años de experiencia.Nuestra empresa puede proporcionar diagnósticos y reparaciones de campo.El equipo técnico proporcionará varias opciones de mantenimiento in situ para ayudarle en sus operaciones de mezcla.
Instalación: Según especificaciones del cliente
Consulta y reparación en el sitio: KEHENG proporciona servicios de diagnóstico de reparación in situ.Si el problema no se puede resolver en el lugar, el equipo puede enviarse de regreso a nuestro Departamento de Inspección y Reparación.
Mantenimiento preventivo: Todas las máquinas deben pasar una estricta inspección antes de salir.KEHENG proporcionará pruebas de diagnóstico y de referencia para garantizar el máximo rendimiento de la solución y el equipo de mezcla.
Otro servicio: KEHENG puede proporcionar nuevas soluciones y equipos de mezcla para su proyecto de reconstrucción.
SERVICIO DE REPARACIÓN
KEHENG proporciona el análisis y las opciones más completos para reparar los accionamientos del mezclador de entrada superior; el programa de inspección y reparación proporciona:
1. Mayor confiabilidad y confiabilidad
2. Reparaciones de alta calidad que cumplen con especificaciones estrictas.
3. Extendió la vida útil de su equipo
Todas las piezas del accionamiento del mezclador se limpian e inspeccionan minuciosamente para determinar la verdadera causa raíz de la falla.Se proporcionan informes detallados junto con opciones escalonadas para la reparación.Los clientes eligen las reparaciones adecuadas para sus necesidades operativas.Las garantías están disponibles según la opción de reparación elegida.
Los problemas comunes que se pueden solucionar incluyen:
1. Fatiga mecánica
2. Condiciones adversas
3. Carga de choque
4. Cambio de proceso
5. Equilibrio del impulsor
SERVICIO AL CLIENTE
1. Todos los clientes de KEHENG recibirán soporte y sugerencias antes y después de la venta.
2. El servicio proporcionado por KEHENG tiene como objetivo ayudar al cliente a elegir los productos más adecuados.
3. KEHENG ayuda a los clientes a utilizar el producto correctamente: PLANIFICACIÓN, INSTALACIÓN, CAPACITACIÓN, ELIMINACIÓN DE PROBLEMAS, MANTENIMIENTO Y REPARACIONES, RENOVACIÓN Y MODERMIZACIÓN.
4. Oferta de KEHENG: Suministro de repuestos, desarrollo técnico y última tecnología disponible, optimización del stock del cliente y recomendación de repuestos.
APOYO TÉCNICO
KEHENG cuenta con un equipo completo de ingenieros de aplicaciones que tienen una rica experiencia y un amplio conocimiento.Nuestro equipo técnico está compuesto por ingenieros de soporte técnico, ingenieros de diseño y desarrollo de productos.Tienen el conocimiento y la habilidad especializados para brindar un servicio y asesoramiento receptivos y confiables.Estarán en conjunto con ingenieros de ventas para completar la comunicación.Los ingenieros de aplicaciones pueden especificar el tipo de transmisión, la relación de transmisión, los requisitos de montaje del motor, los requisitos de montaje de la transmisión, elementos especiales como sellos mecánicos y motores, eje del agitador, cubo del impulsor y detalles de las palas del impulsor.
Si lo necesita, KEHENG puede apoyarle con las siguientes capacitaciones e instrucciones para que su personal esté calificado y familiarizado con las características del equipo KEHENG específico.
1. Formación operativa
2. Formación en mantenimiento
3. Capacitación en procesos
JiangSu KeHeng Petrochemical & Electrical Machinery Co., Ltd fue fundada en 1989. Es una empresa de alta tecnología, especializada en I+D, diseño, fabricación e instalación profesional.Principalmente dedicado a Horno de calentamiento petroquímico, Sistema de recuperación de calor residual, Equipo de desulfuración de plantas eléctricas, Sistema de tratamiento de aguas residuales, Mezclador etc. Productos vendidos en toda China y exportados al sudeste asiático, Europa, África, Medio Oriente, Japón, India, Kazajstán, Turquía y muchos otros países.
KeHeng tiene Centro independiente de I+D y perfecto pruebas de producto, inspeccionando equipo. Con años de innovación constante, Ha sido galardonado con más de 30 utilidad modelo patentes y 5 patentes de invención por la Oficina Estatal de Propiedad Intelectual. Hasta ahora, KeHeng tiene convertirse en un proveedor calificado en el vínculo de suministro de varias grandes empresas y grupos industriales, por ejemplo, petrochina, Sinopec, CNOOC etc.
Ocupar el mercado con calidad del producto, ganar al cliente con reputación corporativa
Integridad: nuestra base de apoyo;Desarrollo: la eterna búsqueda de KeHeng.
Calidad del producto
Todos nuestros mezcladores se fabrican en instalaciones especializadas hechas a medida según los estándares de calidad ISO9001 y utilizan únicamente componentes de alta calidad en su construcción.
Diseño personalizado
Nuestro equipo técnico profesional diseñará el mezclador más adecuado según sus necesidades, que pueda lograr el máximo valor de uso.
Pproyecto Mgestión
Asignamos gerentes de proyecto dedicados para garantizar que cada aspecto de la fabricación, el ensamblaje y el control de calidad avancen para cumplir con las especificaciones individuales del cliente.
Servicio al Cliente
Todos los clientes de KEHENG recibirán soporte y sugerencias antes y después de la venta.Ayudamos a los clientes a utilizar el producto correctamente: PLANIFICAR、INSTALACIÓN、CAPACITACIÓN、ELIMINACIÓN DE PROBLEMAS、MANTENIMIENTO Y REPARACIONES、RENOVACIÓN Y MODERMIZACIÓN.
P: ¿Es usted una empresa comercial o un fabricante?
R: Somos fabricantes.Nuestra fábrica está en Jiangsu. P: ¿Cómo personalizar agitadores y mezcladores? R: Puede enviarnos el parámetro de la solicitud o completar el formulario que le proporcionamos, luego seleccionaremos o diseñaremos el producto que mejor funcione para usted y su negocio. P: ¿Cuánto dura el plazo de producción? R: Normalmente 30 días.Si tiene que elegir una marca de motor en particular, el tiempo de entrega puede variar. P: ¿Acerca de la garantía del producto? R: Normalmente, ofrecemos 1 año de garantía para los productos que se han vendido, pero también podemos brindar servicio de por vida cuando lo necesita para mantener una relación a largo plazo con usted.